催情商城平台/催迷水商城/迷水药购买商城/三仑购买联系/催情香水官网/听话乖乖购买/迷商城
0769-231239033

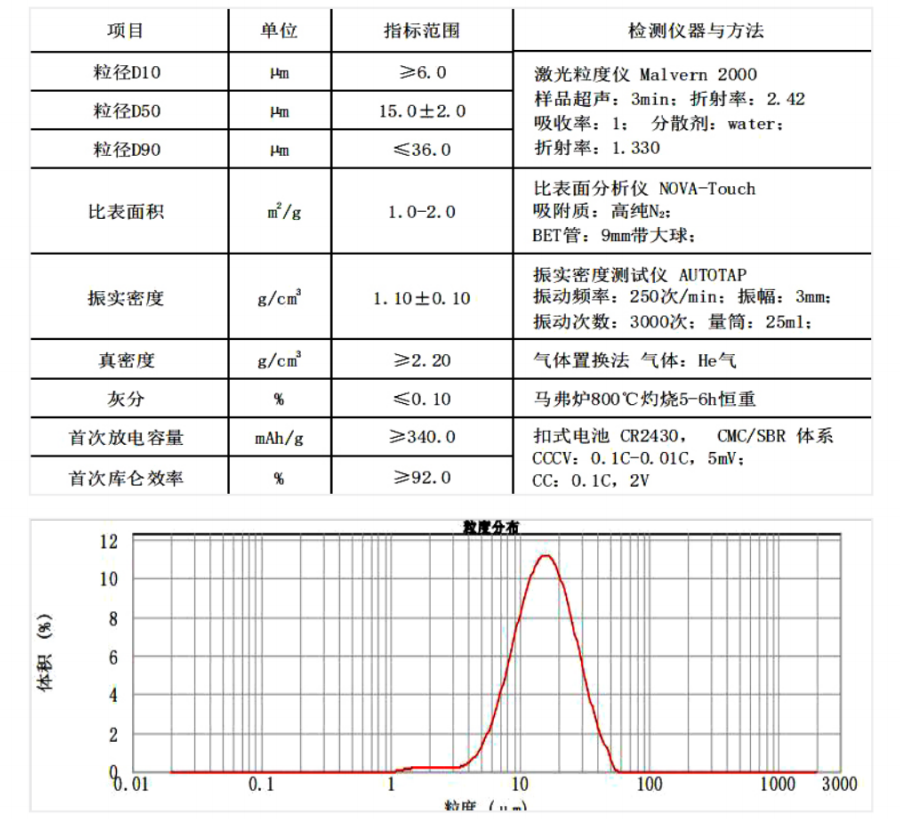
TS-340 石墨

石墨质软、有滑腻感,是一种非金属矿物质,具有耐高温、耐氧化、抗腐蚀、抗热震、强度大、韧性好、自润滑强度高、导热、导电性能强等特有的物理、化学性能。
立即咨询 立即咨询
联系热线 0769-23139033
产品详情
\
\
\
杨小姐:15975486863 -QQ:2285074839
潘先生:13650440098 -QQ:1290124161
固话:0769-23139033 传真:0769-23132533
地址:广东省东莞市莞城街道莞龙路莞城段10号201室

手机网站

服务咨询热线 0769-23139033 周一至周日9:00-22:00